在便携消费电子上实现专业音视频体验
judy 在 周三, 01/27/2021 - 11:07 提交
在本期分享会中,赛灵思将联合拥有十多年专业音视频产品及解决方案研发经验的厦门 RGBlink 视诚科技公司,针对赛灵思视频解决方案的组合、特性及市场价值等话题进行分享和探讨

在本期分享会中,赛灵思将联合拥有十多年专业音视频产品及解决方案研发经验的厦门 RGBlink 视诚科技公司,针对赛灵思视频解决方案的组合、特性及市场价值等话题进行分享和探讨

本篇博文并非技术类文章,但无疑是专为技术人员撰写的。完成几个项目之后,您心知肚明这些项目能够一蹴而就或多或少都掺杂些运气成分。您可能会遇到人为错误、事先未曾预料到的困难、甚至是超出您控制的问题(比如,源端 (source) 或接收端 (sink) 设备的问题)。

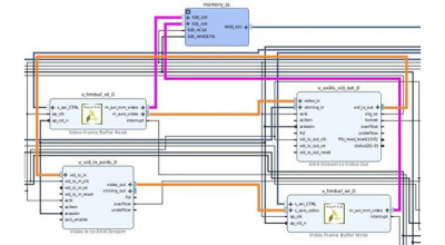
Video Frame Buffer Read/Write IP 支持您将视频数据从存储器域(AXI4 存储器映射接口)迁移到 AXI4-Stream 接口,或反之亦然。