引言
神经形态计算是一种仿生计算范式,模仿生物神经网络(如人脑)的结构和功能,以在人工智能、机器学习、机器人、感官处理等领域实现高性能、低功耗和自适应学习能力。这种计算方式通过模仿生物神经系统的工作机制,在特定任务中展现了显著的优势,如更高的能效、实时响应以及更强的适应性。随着技术的发展,神经形态计算经历了三个主要阶段,并不断朝向更加高效和灵活的方向演变。本文将探讨神经形态计算的发展历程、关键器件及其测试参数,并讨论当前面临的挑战和解决方案。
神经形态计算的发展历程
三个发展阶段:模拟计算、数字计算和混合计算
神经形态计算的发展可以分为三个主要阶段:模拟计算、数字计算和混合计算。
模拟计算阶段
最早的神经形态计算尝试使用模拟电路来模仿神经元和突触的工作原理。这些电路通常利用电流、电压的模拟变化来表现神经元的激励和抑制行为。然而,由于模拟电路的可扩展性差和噪声较高等缺点,这种方法仅适用于小规模的神经网络模拟。
数字计算阶段
随着数字技术的发展,神经形态计算逐渐转向数字电路实现。通过数字电路,研究人员能够更精确地控制神经元模型的行为,并且大规模集成电路(VLSI)技术的进步也提高了计算的规模化和精度。这一阶段的神经形态计算使用数字信号处理(DSP)技术,实现了更复杂的神经网络模型。
混合计算阶段
当前,神经形态计算进入了模拟与数字结合的混合计算阶段。混合计算利用模拟电路来实现高效能的突触计算,同时用数字电路进行更复杂的逻辑操作和数据处理。这种方式不仅结合了两者的优点,还克服了单一计算方法的局限性。
Loihi芯片的突破性进展
2017年,英特尔发布了其第一款自主学习神经芯片——Loihi。Loihi芯片采用14nm工艺,集成了超过20亿个晶体管、13万个神经元和1.28亿个突触。它通过异步尖峰神经网络(SNN)实现计算,能够以事件驱动的模式执行高效自适应学习。与传统基于CNN训练的人工智能系统的通用计算芯片相比,Loihi芯片的能效提升了1000倍。这一进展标志着神经形态计算迈向实际应用的重要一步。
新型材料和器件的探索
真正的神经形态计算必须使用新型材料构成的具有易失性阻变特性的器件,这些器件可以模仿生物神经突触的STDP(Spike-Timing-Dependent Plasticity,脉冲时间依赖性可塑性)等特性。因此,新的系统和器件设计范式不断涌现,推动了能效比的极限突破。
神经形态器件与阵列的构建
神经形态器件的类型和特性
神经形态器件是神经形态计算系统的核心模块,旨在模拟生物神经元和突触的行为。其主要特性包括尖峰发放(spiking)、可塑性(plasticity)和记忆效应(memory effect)。
这些器件基于多种技术平台,如:
• 忆阻器(Memristor):忆阻器是一种能够记忆通过它的电荷量的电阻器件,能够模仿突触的学习和记忆功能,通过调节导通状态来改变阻抗值,从而存储信息。
• 相变材料(PCM):相变材料利用材料从晶态到非晶态的相变特性存储信息,能够快速切换状态并保留信息,是一种适合神经形态计算的材料。
• 自旋电子学材料(Spintronics):自旋电子学利用电子的自旋状态而非电荷来存储信息,具有低功耗和高密度的特点,在神经形态计算中具有广泛的潜力。
• 二维材料和纳米线:这些材料具有优异的电学和机械特性,可用于构建具有极高集成度的神经形态器件和系统。
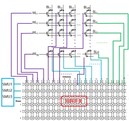
神经形态阵列的构建
神经形态阵列是通过互连大量神经形态器件形成的大规模网络,旨在实现复杂的神经结构和功能。这些阵列可以更好地模拟生物神经网络的计算能力和学习能力。例如,通过使用忆阻器阵列,可以实现高度并行的突触权重调整和自适应学习功能。
神经形态计算的挑战与机遇
高可变性和非线性带来的挑战
神经形态器件和阵列在实际应用中面临着多种挑战。一方面,这些器件表现出高可变性、非线性、随机性和噪声特性,使得其难以进行精确的建模和表征。例如,忆阻器的阻变特性可能会因材料缺陷或制造工艺的微小变化而发生显著波动,影响其一致性和可靠性。
自适应性和鲁棒性带来的机遇
另一方面,神经形态器件和阵列的独特优势,如容错性、鲁棒性和自组织性,使它们在面对复杂的计算任务时表现出色。这些特性赋予了神经形态计算系统以自适应和自学习能力,可以在没有明确编程指令的情况下调整自身以适应环境变化。如何充分利用这些优势,开发出更强大、更可靠的神经形态计算系统,是当前研究的热点。
神经形态计算的发展历程
除了ReRAM(阻变存储器)之外,目前用于神经拟态计算的器件还包括FeRAM(铁电随机存取存储器)、有机FET(场效应晶体管)、以及由二维材料异质集成形成的阻变器件。这些器件利用不同的物理现象(如铁电效应、分子导电性、界面效应等)来实现神经网络中的突触功能,从而推动神经形态计算的发展。
神经形态器件的主要测试参数
关键测试参数
神经形态器件的测试参数主要包括以下几个方面:
■ 神经突触行为:模拟生物突触的尖峰发放和时间依赖性行为。

■ 功耗:评估器件在处理复杂神经网络任务时的能耗。
■ 动态范围和线性度:检测器件的电信号处理能力及其线性响应特性。
■ 调制度:反映器件在不同电压或电流条件下的调制深度和灵活性。
■ 稳定性和可靠性:包括数据保存时间(Retention)和耐久性(Endurance),用于评估器件的长期操作性能。
稳定性和可靠性的重要性
这些测试参数对于理解和优化神经形态器件的性能至关重要。例如,器件的稳定性和可靠性直接影响其在实际应用中的可行性,特别是在长时间运行或高噪声环境中。
Tektronix/Keithley测试解决方案
材料和器件测试的解决方案
Tektronix/Keithley公司提供丰富的测试产品,在神经拟态材料(如铁电材料、自旋电子材料、有机材料和二维材料)和器件的科研中得到了广泛应用。这些测试设备具有高灵敏度和灵活的配置方式,能够根据不同的研究需求进行定制和扩展,有效支持各种新材料和器件的开发。
阵列测试的挑战与解决方案

对于神经形态阵列的测试,目前业内缺乏统一的专业系统和软件。由于材料、器件和工艺的差异,测试方法多种多样,科研人员通常需要自行开发和集成测试系统,这不仅耗费时间和资源,还增加了测试的不确定性。Tektronix/Keithley公司提供了一站式解决方案,包括灵活的硬件配置和通用的软件平台,支持开发特定的测试模块,提供“交钥匙”解决方案,以满足不同研究需求。
结论
神经形态计算作为一种新型计算范式,正迅速发展,并带来了全新的技术挑战和机遇。在不断涌现的新型材料和器件的推动下,如何高效、准确地测试和验证这些器件的性能成为关键课题。Tektronix/Keithley的创新测试解决方案为研究人员提供了强有力的支持,帮助他们更好地理解和优化神经形态计算系统的设计与实现,为未来的智能计算奠定了基础。
文章来源:泰克科技